![]() |
空氣過濾器|高效過濾器專題 佰倫空氣過濾器已榮獲多項國家專利! |
服務熱線:181-0266-3890 |
高效纖維過濾器操作使用說明書
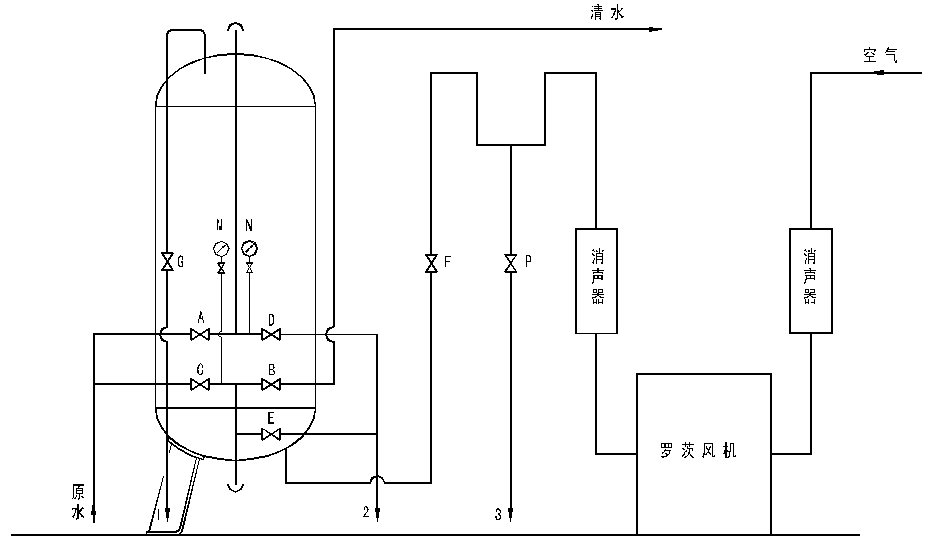
高效纖維過濾器系統參見示意圖:

高效過濾器系統示意圖
設備的管口閥門用途及操作件見下表:
|
符號 |
A |
B |
C |
D |
E |
F |
G |
M |
N |
P |
|
管 口 用 途 |
原 水 入 口 閥 門 |
清 水 入 口 閥 門 |
清 洗 入 口 閥 門 |
反洗水 出 口 閥 門 |
排 空 口 閥 門 |
空 氣 入 口 閥 門 |
排 氣 閥 門 |
清 水 出 口 壓 力 表 |
原 水 入 口 壓 力 表 |
風 機 排 空 閥 |
1.準備工作
a.設備運行前應檢查各閥門及配套設備是否能正常工作。
b.檢查風機等電器元件的接線是否正確,匹配。
2.濾床充水放松
a.打開排氣閥G;
b.打開清洗出口閥D。緩慢打開清洗水入口閥門C,閥門開度不得超過15%,使水充滿濾床;
c.繼續緩慢開啟清洗水入口閥門C,開度每增加10%時,都必須觀察2~3分鐘,當確定調節裝置沒有卡阻現象并緩慢勻速提升時,再逐漸加大閥門的開度使調節裝置提升到上限。
3.濾床清洗
a.打開空氣入口閥F,向濾床內送入空氣。
b.調節過濾器清洗水入、出口閥門C、D的開度,使清洗流速至30m/h、壓力0.05MPa左右,使濾床在清洗過程中總保持滿水狀態(以排氣閥有微量出水為標準)。過濾器清洗用空氣的流量、壓力如下。
直徑為φ2500時,壓力為49Kpa時,空氣流量為11.8~17.7m3/min,(具體可參考:http://www.yzshgd.com/)
注意:
◎開風機前應先打開風機排空P閥再啟動風機,風機正常運行后打開高效過濾器空氣入口閥F,再逐漸關閉排空P閥。
◎清洗流速應控制在30m/h左右,流速太大會浪費清洗水。
◎空氣過濾器清洗操作規程,入、出口壓力應保持在0.05MPa左右,壓力過大或清洗水流太急,會造成羅茨風機的電機運行電流過大而燒毀電機。
4.排氣
清洗結束前,打開風機排空閥(P閥),先關閉空氣入口閥門和風機,繼續清洗3~5分鐘,將過濾器內殘留的空氣排出后,上向洗結束。
注意:下列情況會影響過濾出水水質
◎過濾器濾床清洗后內部殘留空氣;
◎設備運行時進水帶氣;
◎空氣入口閥門關閉不嚴。
5.成床
a.濾層清洗結束后,關閉清洗水入口閥門C、反洗排水閥門D和排氣水閥門G。
b.打開排空口閥門E。緩慢打開原水進口閥門A,當確定調節裝置沒有卡阻現象并緩慢勻速下降時,再逐漸加大閥門的開度使濾層堆積至限定位置。

6.預投運
設備在成床狀態下,調整原水入口閥門A和排空口閥門E的開度,使水的流速適當(一般流速為30m/h),取樣化驗予投運出水水質,當出水水質達到使用要求時,即可投入運行。
7.投運
原水入口閥門A保持開啟狀態,打開清水出口閥門B并關閉排空口閥門E,向系統送水。
設備投運后,濾速一般控制在30m/h。這時設備入、出口初始壓差一般為0.02~0.04MPa。運行時應定期監測入、出口壓差。入、出口壓力差一般不得超過0.2MPa。
注意:清洗水入口閥門必須關閉嚴,否則會影響出水水質。
8.濾床失效、濾層放松
設備運行一段時間后,出水水質逐漸惡化至不能達到用水標準時,濾床即進入失效狀態。濾床失效時設備的入、出口壓差約為0.1~0.2MPa(即使出水水質合格,但壓差已達到0.02MPa時也必須進行清洗)。
濾床失效后,即應停止運行,進行濾層放松。濾床充水放松見第2條。
9.濾床的清洗見第3條。
注:a、高效纖維過濾器手動操作順序見附表1。
b、高效空氣過濾器清洗用氣源配羅茨風機性能參數見附表2(供參考)。
10.維護和注意事項
a、纖維濾料性能和更換周期
高效纖維過濾器所選用的濾料是一種高分子化學纖維材料,這種材料耐熱溫度為106~127℃,并對各種堿及非氧化性酸有很強的耐腐蝕性,連續使用壽命不少于10年,運行失效后,可用水和空氣擦洗的物理方法再生。
b、注意事項
a.可能造成出水水質不良的原因:
⑴. 濾床失效
⑵. 清洗不徹底
⑶. 進水帶氣
⑷. 混凝劑用量不當
⑸. 過濾流速波動太大
⑹. 清洗水入口閥門關閉不嚴
⑺. 取樣化驗不準確
b.需要特殊清洗的情況:
設備在使用過程中,如發現纖維上有大量微生物繁殖或吸附大量的油污時,需特殊清洗,可用2%NaOH溶液將濾料浸泡24小時后,再進行清洗。
附表1 高效纖維過濾器手動操作順序表
|
操作步驟
閥門狀態 閥 門 |
↓ ↑ 清 排 濾 預 運 濾 濾 → → 床 → 投 → → 層 → 層 形 運 失 放 洗 氣 成 行 效 松 |
|
A 原水入口閥門 B 清水出口閥門 C 清洗水入口閥門 D清洗水出口閥門 E 排空口閥門 F清洗空氣入口閥門 G 排氣水口閥門 |
× × ○ ○ ○ × × × × × × ○ × × ○ ○ × × × × ○ ○ ○ × × × × ○ × × ○ ○ × × × ○ × × × × × × ○ ○ × × × × ○ |
注:○為閥門開啟 ×為閥門關閉。
| 上一篇:公司介紹 | 下一篇:高效過濾器DOP檢漏法在制藥企業中的應用... |